11Заключение.
Для проведения занятий по указанному курсу в РИПТиБе был организован учебный класс. Его техническое оснащение обеспечило специализированное подразделение КамАЗа — Служба промэлектроники, которая уже имела достаточный опыт по производству систем управления подогревателями и отопитслями.
Так в конце 1999 г. была изготовлена опытная партия микропроцессорных систем управления жидкостными подогревателями 15.8106 и воздушными отопителями ОН32Д-24-04, которыми были укомплектованы 22 автомобиля в северном исполнении для ОАО «Самотлоравтотранс».
Система управления воздушными отопителями ОН32Д-24-04 до 2004 г. поставлялась на вторичный рынок и комплектацию спецтехники нефтяного и газового комплексов.
В стадии завершения была совмещенная система управления БУС 4142.3741 для автомобилей в северном исполнении.
Для потребностей главного конвейера автозавода и вторичного рынка была спроектирована и изготовлена гамма поверочных тестеров, обеспечивающих контроль работоспособности и поиск неисправностей всего комплекса «подогреватель — система управления», так и отдельных элементов. Всего было разработано и изготовлено 14 моделей тестеров
Некоторые из них показаны на Рис. 135
Рис. 135 Поверочные тестеры
На базе совмещенной системы БУС 4142.3741 был изготовлен демонстрационный, учебный стенд.
Рис. 136 Демонстрационный учебный стенд
Кроме того, были переданы подогреватели 15.8106, ПЖД12Б-10 и отопитель ОН32Д-24-04. Электроснабжение обеспечивал стабилизированный, регулируемый (8…36 В) источник тока — 1А. Всеми этими изделиями и был укомплектован учебный класс.
При проведении первых занятий, когда основным вопросом был вопрос «покажите как включить подогреватель», такое техническое обеспечение было достаточно. Но уже к сентябрю 2002 г. стало очевидным серьезное отставание технического оснащения учебного класса.
Поэтому мы обратились с просьбой к руководителям предприятий — изготовителей жидкостных подогревателей и систем их управления дооснастить или вернее заново переоснастить учебный класс; что и было сделано и самое главное, безвозмездно, за что мы им очень благодарны:
1.ОАО «Элтра-Термо» г. Ржев поставило разрезные, действующие макеты подогревателей 15.8106, 15.8106-05, 141.8106 и 143.8106 с системами управления производства ОАО «Авто-электроника» г. Калуга и ЗАО «ЦЭТ» г. Москва
2.ОАО «ШААЗ» г. Шадринск поставило разрезную действующую модель подогревателя ПЖД12Б-20 с всеми модификациями систем управления производства ОАО «МЗРиП» г. Муром и ОАО «Элара» г. Чебоксары
3.ООО «Адверс» г. Самара поставило разрезные действующие модели подогревателей 10ТС, 14ТС-01, 14ТС-10 и 15ТСГ с комплектами систем управления. Кроме того предприятие оказало практическую помощь в изготовлении имитационных тестеров.
В конечном итоге в лаборатории, а теперь ее так можно смело назвать, было сконцентрировано полное собрание техники, обеспечивающей тепловое состояние двигателей и кабины. См. Рис. 137,Рис. 138
Такое оснащение лаборатории обеспечило предметное обучение слушателей особенностям конструкции всех моделей подогревателей и правилам их эксплуатации со всеми модификациями систем управления.
Наличие специальных тестеров для подслревателей 14ТС-10 и 15ТСГ позволило имитировать без горения, все режимы и ступени тепловой мощности и измерять параметры рабочего процесса.
Более подробно Вы можете с этим ознакомитесь в приложении №5 настоящего пособия.
Кроме того, в лаборатории проверяются все заявленные изготовителями алгоритмы и при обнаружении несоответствия они доводятся до изготовителя.
Ведется в лаборатории анализ качества как по официальным данным Службы Качества ОАО «КамАЗ», так по сообщениям непосредственно с эксплуатации.
В перспективе после завершения испытаний ООО «Адверс» передадут нам воздушный отопитель кабины и систему обогрева масла в масляном картере. Намечается модернизация имитаторов для подогревателей 14ТС-10 и 15ТСГ.
Очень надеемся, что специалисты ОАО «Элтра-Термо» и ОАО «ШААЗ» помогут нам в изготовлении имитаторов на свои подогреватели.
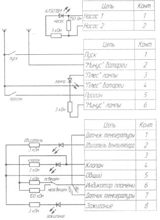
Пульт проверки блоков управления подогревателем. Схема электрическая принципиальная



