СМАЗОЧНАЯ СИСТЕМА ДВИГАТЕЛЯ комбинированная, с «мокрым» картером. Система включает масляный насос, фильтр очистки масла, водомасляный теплообменник, картер масляный, маслоналивную горловину, направляющую трубку и указатель уровня масла.
Различные комплектации двигателя могут отличаться формой картера масляного, расположением и глубиной копильника масла. Соответственно, масляный насос имеет различные маслозаборники. Двигатели могут оснащаться маслозаливной горловиной и указателем уровня масла расположенными в передней крышке или картере маховика.
СХЕМА СМАЗОЧНОЙ СИСТЕМЫ показана на рисунке 21. Из картера 13 масляный насос 1 подает масло в фильтр очистки масла 3 и через водомасляный теплообменник 6 в главную магистраль, и далее к потребителям. В смазочную систему также включены клапан 2 системы, обеспечивающий давление в главной масляной магистрали 392…539 кПа (4,0…5,5 кгс/см2) при номинальной частоте вращения коленчатого вала двигателя и температуре масла 80…95 °С, перепускной клапан 4, отрегулированный на срабатывание при перепаде давления на фильтре 147…216 кПа (1,5…2,2 кгс/см 2) и термоклапан 11 включения водомасляного теплообменника.
При температуре масла ниже 95 °С, клапан открыт и основной поток масла поступает в двигатель минуя теплообменник. При температуре масла более 110 °С, термоклапан закрыт и весь поток масла проходит через теплообменник, где охлаждается водой. Тем самым обеспечивается быстрый прогрев двигателя после запуска и поддержание оптимального температурного режима в процессе эксплуатации. Конструктивно термоклапан расположен в корпусе масляного фильтра. Максимальная температура масла в системе смазки 120 °С.
Рисунок 21 — Схема смазочной системы:
1 — насос масляный; 2 — клапан; 3 — фильтр; 4 — перепускной клапан; 5 — частично-поточный фильтроэлемент; 6 — водомасляный теплообменник; 7,8 и 9 — приборы контроля; 10 — форсунки охлаждения поршней; 11 — термоклапан; 12 — полнопоточный фильтроэлемент; 13 — картер масляный; 14 — клапан предохранительный.
МАСЛЯНЫЙ НАСОС (рисунок 22) закреплен на нижней плоскости блока цилиндров. Ведущее зубчатое колесо напрессовано на передний носок коленчатого вала и имеет 64 зуба, ведомое 52.
Зазор 0,15…0,35 мм в зацеплении зубчатых колес привода регулируется прокладками, устанавливаемыми между привалочной плоскостью насоса и блока цилиндров. Момент затяжки болтов крепления масляного насоса к блоку должен быть 49…68,6 Н м (5…7 кгс м).
Масляный насос шестеренчатый, односекционный. Содержит корпус 2, крышку 1, шестерни 3 и 7. В крышке расположен клапан смазочной системы 13, с пружиной 11, отрегулированный на давление срабатывания 392 …439 кПа (4,0…4,5 кгс/см2). Также насос имеет предохранительный клапан выполненный в виде шарика 14 подпружиненного пружиной 12. Давление срабатывания клапана 931… 1127 кПа (9,5… 11,5 кгс/см2).
Рисунок 22 — Насос масляный:
1 — крышка; 2 — корпус; 3 — шестерня ведущая; 4 — ведомое зубчатое колесо; 5 — шпонка; 6 — гайка; 7 — зубчатое колесо; 8 — ось; 9 — шплинт; 10 — пробка; 11,12 — пружины; 13 — клапан; 14 — шарик; 15 — шайбы регулировочные.
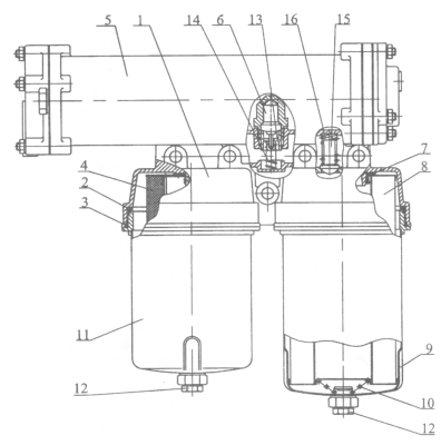
ФИЛЬТР МАСЛЯНЫЙ (рисунок 23) закреплен на правой стороне блока цилиндров. Состоит из корпуса 1, двух колпаков 9 и 11, в которых установлены полнопоточный 8 и частично-поточный 4 фильтроэлементы.
Колпаки на резьбе вворачиваются в корпус. Уплотнение колпако» в корпусе осуществляются кольцами 2 и 3.
В корпусе фильтра также расположен перепускной клапан 15 и термоклапан включения водомасляного теплообменника. Очистка масла в фильтре комбинированная. Через полнопоточный фильтроэлемент 8 проходит основной поток масла перед поступлением к потребителям, тонкость очистки масла от примесей, при этом, составляет 40 мкм. Через частично-поточный фильтроэлемент 4 проходит 3 …5 л/мин, где удаляются примеси размерами более 5 мкм. Из частично-поточного элемента масло сливается в картер. При такой схеме достигается высокая степень очистки масла от примесей.
Рисунок 23 — Фильтр масляный с теплообменником:
1 — корпус фильтра; 2,3 — уплотнительные кольца; 4 — частично-поточный фильтрующий элемент; 5 — теплообменник; 6 — термосиловой датчик; 7 — прокладка; 8 — полнопоточный фильтрующий элемент; 9,11 — колпаки; 10 — упорная пружина; 15 — перепускной клапан; 16 — пружина перепускного клапана.
Допускается применять только фильтроэлементы имеющие официальное положительное заключение ОАО «КАМАЗ» на поставку запасных частей.
ТЕРМОКЛАПАН (рисунок 23) включения водомасляного теплообменника состоит из подпружиненного поршня 13 с термосиловым датчиком 6. При температуре ниже 95 °С поршень 13 находится в верхнем положении и основная часть потока масла, минуя теплообменник, поступает в двигатель. При достижении температуры масла 95…97 °С омывающего термосиловой датчик 6, активная масса, находящаяся в баллоне, начинает плавиться и, увеличиваясь в объеме, перемещает шток датчика и поршень 13.
При температуре масла 110…112 °С поршень 13 разобщает полости в фильтре до и после теплообменника и весь поток масла идет через теплообменник.
При превышении температуры масла выше 120 °С срабатывает датчик температуры и на щитке приборов загорится сигнальная лампочка.
ВОДОМАСЛЯНЫЙ ТЕПЛООБМЕННИК 5 (рисунок 23) установлен на масляном фильтре, кожухотрубного типа, сборный. Внутри трубок проходит охлаждающая жидкость из системы охлаждения двигателя, снаружи — масло. Со стороны масла трубки имеют оребрение в виде охлаждающих пластин. Поток масла в теплообменнике четыре раза пересекает трубки с водой, чем достигается высокая эффективность охлаждения масла.
КАРТЕР МАСЛЯНЫЙ 13 (рисунок 21) крепиться к блоку цилиндров через резинопробковую прокладку. Момент затяжки болтов крепления масляного картера согласно приложению А.
СИСТЕМА ВЕНТИЛЯЦИИ КАРТЕРА (рисунок 24) открытая, циклонного типа. Картерные газы отводятся из штанговой полости второго цилиндра, через угольник 1, в котором установлен завихритель 2. При работе двигателя картерные газы проходят через завихритель 2 и получают винтовое движение. За счет действия центробежных сил капли масла, содержащиеся в газах, отбрасываются к стенке трубы 4 и в маслоотделителе 7 происходит разделение.
По трубке 6 и далее по трубке 14 масло сливается обратно в картер под уровень, а очищенные картерные газы выбрасываются в атмосферу через трубку 11.
Рисунок 24 — Система вентиляции картера двигателя:
1 — угольник; 2 — завихритель; 3 — уплотнительное кольцо; 4 — труба; 5 — втулка внутренняя; 6 — трубка слива масла; 7 — маслоотделитель; 8 — шланг угловой; 9,10 — хомуты; 11 — трубка отвода газов; 12 — втулка; 13 — кляммер; 14 — трубка слива масла под уровень; 15 — болт.



