Контроль безопасности и поведение АБС при выходе из строя компонентов системы и взаимозаменяемость компонентов.
Контроль АБС — системы разбивается на две фазы.
Фаза 1: в течение фазы охватываются внутренние неисправности блока управления. Появление неисправностей в блоке управления приводит к немедленному отключению системы.
Фаза 2: в течение фазы рассматриваются неисправности на периферии (датчик скорости, модуляторы и клапаны, питающие линии и т.д.).
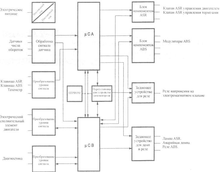
Блок — схема электрических подключений для блока управления АБС/ПБС показана на рисунке 160.
Рисунок 160. Блок-схема электрических подключений блока управления
6.1. Работа АБС/ПБС при неисправностях в периферии
В том случае, если выявлена неисправность в периферии, данные мероприятия (вплоть до отключения блока управления) остаются в силе, даже тогда, когда неисправность непрерывно не возникает. Только в случае неисправности контактов электрического исполнительного двигателя и при пониженном напряжении мероприятия выполняются только в случае самой неисправности.
Датчик числа оборотов / Зубчатое кольцо — все виды неисправностей:
— отключается управление ABS для затронутого неисправностью колеса.
— отключается управление ПБС.
Разница частоты числа оборотов >8 %
— отключается управление АБС.
— отключается управление для АБС — реле.
— отключается управление ПБС.
Электромагнитный клапан АБС — размыкание:
— отключается управление АБС для затронутого неисправностью колеса.
— отключается управление ПБС.
Электромагнитный клапан АБС — короткое замыкание на корпус или на электромагнит-ный клапан в тормозном контуре 1:
— управление АБС в контуре 1 отключается.
— отключается управление ПБС.
— отключается ограничитель скорости.
Электромагнитный клапан АБС — короткое замыкание на корпус или на электромагнит-ный клапан в тормозном контуре 2:
— управление АБС в контуре 1 отключается.
— управление для АБС — реле отключается.
— отключается управление ПБС.
Электромагнитный клапан АБС — короткое замыкание на другой электромагнитный кла-пан или на «+»(Ubatt):
— управление АБС отключается.
— управление для реле АБС отключается.
— управление ПБС отключается.
— отключается ограничитель скорости.
Клапан ПБС управления тормозами — размыкание:
— управление ПБС тормозов отключается.
Клапан ПБС управления тормозами — левый — короткое замыкание на корпус или на электромагнитный клапан:
— управление АБС в тормозном контуре 1 отключается.
— управление ПБС отключается.
— отключается ограничитель скорости.
Пропорциональный клапан — обрыв:
— управление ПБС двигателем отключается.
— отключается ограничитель скорости.
Клапан ПБС управления тормозами — правый — короткое замыкание на корпус или на электромагнитный клапан:
— управление АБС в тормозном контуре 2 отключается.
— управление для реле АБС отключается.
— управление АБС отключается.
Электромагнитный клапан АБС- короткое замыкание на другой клапан или на «+»Ubatt:
— управление АБС отключается.
— управление для реле АБС отключается.
— управление ПБС отключается.
— отключается ограничитель скорости.
Клапан ПБС управления двигателем / пропорциональный клапан — короткое замыкание на корпус или на электромагнитный клапан:
— управление АБС в тормозном контуре 1 отключается.
— управление ПБС отключается.
— отключается ограничитель скорости.
Клапан ПБС управления двигателем / пропорциональный клапан — короткое замыкание на электромагнитный клапан или на «+» (Ubatt):
— управление АБС отключается.
— управление для реле АБС отключается.
— управление ПБС отключается.
— отключается ограничитель скорости.
Электрический исполнительный двигатель — все виды неисправностей:
— отключается управление ПБС двигателем в течение того времени, пока имеет место неисправность.
— ограничение по скорости производится независимо от электрического исполнительного двигателя.
Пониженное напряжение или недопустимое напряжение на электромагнитом клапане, в тормозном контуре 1:
— управление АБС в контуре 1 отключается.
— управление ПБС отключается.
— отключается ограничитель скорости.
При пониженном напряжении мероприятия проводятся только в течение того времени, пока будет иметь место данная неисправность.
Пониженное напряжение или неисправность электромагнитного клапана, тормозном контуре 2:
— АБС — регулирование в диагонали 2 отключается.
— регулирование для АБС — реле отключается.
— ПБС — регулирование отключается.
При пониженном напряжении мероприятия проводятся только в течение того времени, пока будет иметь место данная неисправность.
Недопустимое напряжение или напряжение на электромагнитном клапане, которое не может быть отключено:
— управление АБС отключается.
— управление для реле АБС отключается.
— управление ПБС отключается.
— отключается ограничитель скорости.
Реле АБС — короткое замыкание на «+»(Ubatt):
— управление реле АБС отключается.
Реле АБС — короткое замыкание на корпус:
— управление АБС в тормозном контуре 2 отключается.
— управление реле АБС отключается.
— управление ПБС отключается.
Сигнал тахометра — отсутствует или недопустимый:
— отключается ограничитель скорости.
В случае возникновения нескольких неисправностей действует следующее правило:
После появления второй и последующих неисправностей более чем на двух колесах, управление АБС полностью отключается. В случае, когда для обоих задних колес управление АБС становиться невозможным, по причинам устойчивости автомобиля при движении управление АБС точно так же полностью отключается.
6.2. Взаимозаменяемость компонентов
Таблица 48. Таблица взаимозаменяемости
Производитель | |||
«Knorr — Bremse» | «Wabco» | НП РУП «Экран» | |
Модулятор | + | + | + |
Датчик | + | + | + |
Жгут проводов | + | + | |
Блок управления | + | + | |
Осушитель воздуха | |||
Фильтр осушителя воздуха | + | + | |
