Промежуточный вал 5 изготовлен заодно целое с косозубыми шестернями высшей и низшей передач. Устанавливается вал на двух цилиндрических роликовых подшипниках (рис.2).
Наружные кольца подшипников удерживаются в расточках картера и крышки раздаточной коробки специальными крышками. Крышка со стороны корпуса состоит из корпуса и плоской пластины. Поэтому ее уплотнение осуществляется жидкой прокладкой в двух местах. Внутренние кольца подшипников имеют по одному буртику, напрессованы на вал буртом кольца к соответствующим шестерням. В расточке передней крышки устанавливают регулировочные кольца. Осевой зазор в подшипниках составляет 0,4-0,6 мм. Пакет регулировочных колец — Х4 определяют согласно замерам рис.6, при установленной задней крышке и положении картера коробки соответствующему горизонтальному положению привалочной плоскости (вертикальном положении валов).
Внутреннее кольцо заднего подшипника зафиксировано круглой гайкой, так же как и на входном валу, в двух точках обжато в углубление вала круглым керном. На выступающую в крышку часть промежуточного вала установлен зубчатый венец тахометра. Имеется комплектация, как с механическим, так и электрическим датчиком.
От проворачивания зубчатый венец зафиксирован шариком, а от осевого смещения — разрезным стопорным кольцом. В заднюю крышку ввернут индукционный датчик тахометра. Смазка подшипников вала и зубчатых зацеплений осуществляются окунанием и разбрызгиванием масла.
Рис.6 Величина и способ замера осевого зазора в подшипниках промежуточного вала.
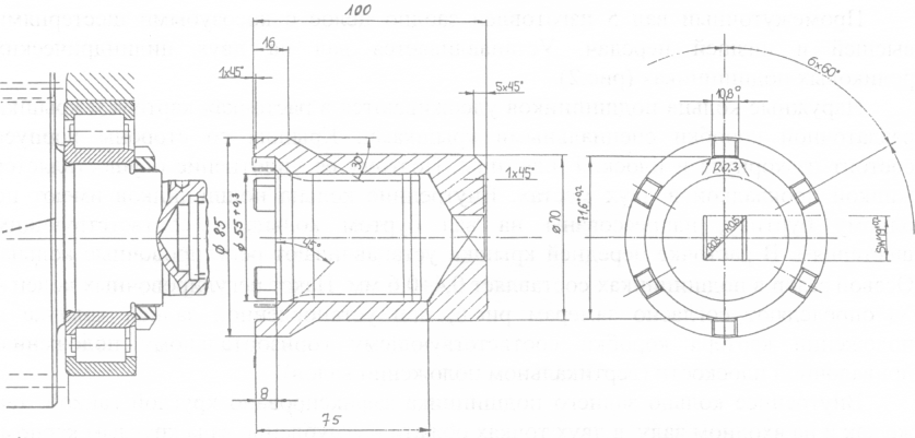
Снятие круглой гайки заднего подшипника проводят при помощи приспособления изображенного на рис.7.
При разборочно-сборочных работах, вертикально установленный промежуточный вал при снятой передней крышке раздаточной коробки, демонтируется с помощью приспособления, показанного на рис.8
Рис.7 Приспособление для снятия круглой гайки заднего подшипника.
Спрессовывание внутренних колец также осуществляют при помощи приспособления (рис.8) с двумя полукольцами.
Приспособление имеет два захвата, соединяющиеся с полукольцами и планкой-струбциной с упорным винтом. При установке внутренние кольца нагревают до 80°. На наш взгляд, снятие внутренних колец можно осуществить с помощью приспособления, изображенного на рис.8, снабдив его более массивным фиксирующим кольцом с двумя радиальными противоположно расположенными резьбовыми отверстиями диаметром М8, с двумя стопорными болтами М8х15 мм и планкой с центральным резьбовым отверстием M14x1,5 мм с ходовым винтом, длиной 140 мм, с резьбой на всю длину.
Рис. 8 Приспособление для демонтажа промежуточного вала: 1 — скоба, 2 — два болта М8х80 мм, 3 — планка, 4 — фиксирующее кольцо, 5 -полукольцо


