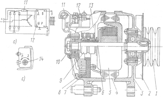
На автомобилях КамАЗ-6460 устанавливается генераторная установка Г273-В (рис.115), состоящая из трехфазного синхронного генератора с прямоточной вентиляцией и встроенных в генератор выпрямительного блока и интегрального регулятора напряжения Я120М12. Генераторная установка предназначена для работы в однопроводной схеме электрооборудования автомобиля с присоединением отрицательного вывода к корпусу. Ошибочное подключение к корпусу положительного вывода аккумуляторной батареи приводит к выходу из строя выпрямительного блока и регулятора напряжения.
Встроенный в щеткодержатель генератора регулятор напряжения собран по интегральной схеме и служит для автоматического поддержания напряжения генератора в заданных пределах, необходимых для обеспечения зарядного режима аккумуляторной батареи и работы потребителей.
На регуляторе напряжения установлен переключатель посезонной регулировки (рис. 115). Уровень регулируемого напряжения генератора в положении переключателяЛ (лето) должен находиться в пределах 27…28 V, в положении 3 (зима) — 28,8…30,2 V.
Генератор расположен в верхней передней части двигателя и прикреплен двумя лапами к кронштейну, а третьей — к натяжной планке, приводится во вращение двумя клиновыми ремнями. Натяжение ремней осуществляется перемещением генератора. Передаточное число привода генератора 2,9.
На генераторе имеются следующие выводы:
Техническая характеристика генератора
Направление вращения | правое (со стороны привода) |
Номинальное напряжение. В | 28 |
Частота вращения [при температуре (25±10)°С, напряжении 28 В и независимом возбуждении], мин-1; при токе нагрузки 10 А то же 20 А | 1550 2100 |
Максимальная сила тока отдачи, А | 28 |
Сила тока возбуждения. А, не более | 3.4 |
Сила давления щеточных пружин (при сжатии пружины до 17,5 мм), Н | 1.86…2.45 |
Обмотка статора | |
Марка провода | ПЭТВ |
Количество фаз обмотки | 3 |
Количество катушек в каждой фазе | 6 |
Количество витков в катушке | 20 |
Фазное сопротивление при температуре +20 °С | 0.34…0.36 |
Обмотка ротора | |
Марка провода | ПЭТВ |
Количество витков | 550 |
Сопротивление обмотки при температуре +20 °С, Ом | 3.5…4 |
Выпрямительный блок | |
Тип | БПВЧ-45 |
Максимальное обратное напряжение, В | 150 |
Сила максимального выпрямительного тока, А | 45 |
Падение напряжения, В, не более | 0.7 |
Сила тока, при которой измеряется падение напряжения. А | 10 |
Рис. 115. Генераторная установка Г273-В:
1 — шкив; 2 — вентилятор; 3 — крышка со стороны привода; 4 — статор; 5 — ротор; 6 — вал ротора; 7 — блок выпрямительный; 8 — крышка со стороны контактных колец; 9 — кольцо контактное; 10 — крышка подшипника; 11 — резистор подпиточный; 12 — регулятор напряжения Я120М; 13 — щеткодержатель; 14 — переключатель сезонной регулировки. а — электрическая схема; b — разрез; с — регулятор напряжения.
ПРЕДУПРЕЖДЕНИЯ!
1. Не присоединяйте и не отсоединяйте штепсельные разъемы и плюсовой вывод генераторной установки при работающем двигателе и включенных аккумуляторных батареях, а также не пускайте двигатель при отсоединенном от генератора плюсовом проводе.
2. Не проверяйте исправность генераторной установки путем замыкания выводов «+», В, О перемычками на массу и между собой.
3. Не соединяйте вывод Ш щеткодержателя, доступ к которому открыт через окно в кожухе щеткодержателя, с выводами “+” генератора, В щеткодержателя. Это ведет к выходу из строя регулятора.
4. Не проверяйте исправность схемы электрооборудования и отдельных проводов мегомметром или лампой, питаемой напряжением выше 36 В. Если такая проверка необходима, то предварительно отсоедините провода от генераторной установки.
5. Во избежание выхода из строя выпрямительного блока и регулятора напряжения при подзарядке аккумуляторных батарей от внешнего источника отключите батареи от сети автомобиля.
6. При мойке автомобиля защищайте генератор от попадания в него воды.
Техническое обслуживание
При сервисе 2:
— чистите от пыли и грязи наружные поверхности;
— проверьте и при необходимости отрегулируйте натяжение приводных ремней генератора. При нормальном натяжении ремней стрела прогиба должна быть в пределах 15…22 мм при нажатии на середину большей ветви с усилием 39,2 Н (4 кгс). Для регулирования натяжения ремней ослабьте гайки крепления передней и задней лап генератора и болт крепления генератора к натяжной планке. Затем отклоните генератор в сторону натяжения ремней до требуемой величины и затяните крепежные соединения генератора.
При сервисе С (осенью), сняв генератор с двигателя:
— проверьте состояние щеточного узла;
— продуйте сжатым воздухом выпрямительный блок;
— проверьте надежность крепления шкива на валу генератора, при ослаблении подтяните.
Для проверки состояния щеточно-коллекторного узла выверните два болта крепления щеткодержателя в крышке, снимите щеткодержатель и убедитесь, что щетки свободно перемещаются в направляющих. Если щетку заедает в щеткодержателе, протрите ее и стенки направляющего отверстия ветошью, смоченной бензином. Снимите щетки, осмотрите и замерьте их высоту. Высота щетки должна быть не менее 8 мм от пружины до основания щетки. При необходимости щетки замените. Раскомплектация щеток не допускается.
Через отверстие в крышке, в котором находится щеткодержатель, хорошо видны контактные кольца. Осмотрите состояние контактных колец и, при необходимости, протрите ветошью, смоченной бензином. Если после этого будут обнаружены пригары или загрязнения, то зачистите кольца полоской шлифовальной шкурки С100, прижимая ее к кольцам через отверстие в крышке для щеткодержателя и проворачивая ротор генератора.
Проточите контактные кольца, если не удаляются пригары, кольца имеют неровную поверхность или их износ превышает 0,5 мм по диаметру. Минимально допустимый диаметр проточки контактных колец 29,3 мм.
Перед снятием крышки со стороны контактных колец снимите щетки вместе со щеткодержателем во избежание поломок щеток.
Посезонная регулировка проводится следующим образом:
— если наружная температура установилась устойчиво на уровне 0°С и выше, ППР (переключатель посезонной регулировки) должен находиться в положении ЛЕТО (Л) — левое крайнее положение контактного винта ППР, винт вывернут:
— если наружная температура установилась устойчиво на уровне 0°С и ниже, ППР должен находиться в положении ЗИМА (3) — правое крайнее положение винта ППР, винт ввернут.
Уровень регулируемого напряжения генератора в положении ППР ЛЕТО при токе нагрузки 20 А, частоте вращения (3500+200) мин-1, температуре окружающей среды (25+10)°С и выключенной аккумуляторной батарее должен находиться в пределах 27…28 В, а в положении ППР ЗИМА — 28,8…30,2 В.
Ремонт
Для снятия генератора отключите массу аккумуляторных батарей, поднимите кабину и отсоедините выводы “+”, “—”, В, ~ Ослабьте стяжной болт разрезной опоры кронштейна генератора, затем отверните гайку шпильки крепления генератора к кронштейну , выверните болт крепления генератора к натяжной планке и снимите генератор.
Для установки генератора на кронштейне вставьте палец генератора в разрезную опору, а шпильку кронштейна — в отверстие передней крышки генератора, наденьте пружинную шайбу и наверните от руки гайку на шпильку. Установите приводные ремни на шкив генератора, обеспечив совпадение осей ручьев шкива генератора и шкива двигателя в пределах ± 1 мм. Совпадение осей обеспечьте перемещением генератора. Наденьте пружинную шайбу на болт крепления генератора к натяжной планке, совместите отверстия планки и крышки генератора и вверните болт, установив требуемое натяжение приводных ремней перемещением генератора.
Рис. 116. Съемник.
Затяните болт крепления генератора к планке, заверните гайку крепления генератора к шпильке кронштейна и затяните стяжной болт разрезной опоры генератора. Для исключения поломки кронштейнов генератора соблюдайте изложенный порядок затяжки крепежных соединений.
Присоедините выводы ”—”, “+”, В, ~.
При ремонте генератора устранять неисправности рекомендуется заменой поврежденных деталей и сборочных единиц, причем для этого не всегда необходимо полностью разбирать генератор. Допускается ремонт отдельных деталей.
Для разборки генератора:
— выверните болты крепления щеткодержателя к крышке и снимите щеткодержатель в сборе с регулятором напряжения;
— выверните винты крепления крышки шарикоподшипника;
— выверните стяжные винты крепления крышки генератора;
— снимите крышку со стороны контактных колец вместе со статором;
— отсоедините фазные выводы обмотки статора от выводов выпрямительного блока и отделите статор;
— отверните гайку крепления шкива, предварительно закрепив ротор за один из полюсов или придерживая его гаечным ключом, и снимите шкив;
— снимите вентилятор, удалите из канавки сегментную шпонку и снимите упорную втулку;
— снимите крышку со стороны привода вместе с шарикоподшипником с вала ротора с помощью специального съемника (рис. 116), используя для этой цели резьбовые отверстия в крышке;
— снимите с вала шариковый подшипник;
— с крышки со стороны контактных колец снимите выпрямительный блок.
После разборки очистите от грязи детали и сборочные единицы генератора, металлические, кроме подшипников и сборочных единиц, содержащих обмотки, изоляционные детали и полупроводниковые приборы, обезжирьте, промойте бензином и высушите, а остальные протрите ветошью, смоченной бензином. Осмотрите и замените детали, имеющие механические повреждения. Не допускаются на шкиве трещины, проходящие через отверстие, износ отверстия более 17,02 мм и сколы кромок шкива более 2 мм. Проверьте износ канавки шкива под ремень.
Шкив допускается к установке, если при установке в канавку контрольных роликов диаметром 14 мм диаметр, замеренный по роликам, не менее 83.5 мм (рис. 115).
Погнутость лопастей вентилятора устраните правкой и рихтовкой.
При износе или овальности отверстия в кронштейне крепления крышки со стороны контактных колец и крышки со стороны привода более 10,3 мм рассверлите отверстие.
Изношенное посадочное отверстие под подшипник в крышке со стороны контактных колец до диаметра более 35,02 мм, а в крышке со стороны привода — более 47,05 мм обработайте до размера 38,0…38,05 мм и 50,00…50,05 мм соответственно и затем запрессуйте ремонтное кольцо с сохранением в нем прежнего посадочного размера под подшипник.
При сборке генератора для обеспечения соосности отверстий крепления генератора на двигателе перед сборкой вставьте в них плотно входящий стержень. После закрепления стяжных болтов удалите стержень.
После сборки проверьте от руки легкость вращения вала и техническое состояние генератора.
Проверка обмотки возбуждения ротора. Исправность обмотки проверяйте тестером (омметром), при этом следите за надежностью контакта наконечников измерительных проводов прибора с контактными кольцами ротора. Величина сопротивления должна соответствовать значению, указанному в технической характеристике генератора, если обмотка не имеет короткозамкнутых витков. Если в обмотке имеется обрыв, то стрелка омметра не отклоняется. Исправность обмотки и надежность прилегания щеток к контактным кольцам можно проверить на стенде, не разбирая генератор. Схема проверки изображена на рис. 117. При напряжении источника питания постоянного тока 28 В, подсоединенного к штекерам обмотки, величина потребляемого тока не должна превышать значения, указанного в технической характеристике генератора. Если в обмотке имеется обрыв, то стрелка амперметра не отклонится.
Замыкание обмотки возбуждения на массу определяйте контрольной лампой или вольтметром под напряжением 220…250 В. Если в течение 1 мин тока не будет, то изоляция обмотки исправна.
Если в обмотке возбуждения обнаружен обрыв, осмотрите места пайки концов обмотки к контактным кольцам и в случае распайки восстановите нарушенное соединение. Если обрыв внутри обмотки или обнаружено межвитковое замыкание или замыкание обмотки на массу, замените ротор.
Рис. 117. Схема соединений при проверке технического состояния генератора
Обмотку статора проверяйте отдельно, после разборки генератора, с отсоединенными от выпрямительного блока выводами обмотки.
Для определения обрыва в фазной обмотке статора поочередно соединяйте по две фазы обмотки к тестеру (омметру) или через контрольную лампу к источнику тока напряжением 12…30 В. В случае обрыва какой-либо из обмоток при соединении ее с выводами двух других стрелка тестера (омметра) не отклоняется, а контрольная лампа не горит. При исправной обмотке фазы показания омметра должны соответствовать значениям, указанным в технической характеристике.
Межвитковое замыкание обмотки статора проверяйте портативным дефектоскопом модели ПДО-1.
Замыкание обмотки статора на массу вследствие механического или теплового повреждения изоляции обмотки или выводов проверяйте контрольной лампой под напряжением 220…250 В включением одного проводника на сердечник статора, а другого — на один из выводов обмотки. Если лампа не загорится, замыкание отсутствует.
Проверьте состояние изоляции проводов обмотки, изоляция не должна иметь следов перегрева.
При обрыве фазного вывода от наконечника, отмотайте один-два витка обмотки, установите изоляционную трубу и спрессуйте или припаяйте наконечник.
Проверка технического состояния генератора. Причиной отказов в работе генераторной установки могут быть неисправности генератора, регулятора напряжения или же нарушения электрического контакта в цепи системы электроснабжения. Поэтому, прежде чем приступить к проверке, убедитесь в надежности электрического контакта проводов на выводах генератора, регулятора напряжения, в соединительных колодках между пучками проводов и в исправности реле отключения обмотки возбуждения генератора (см. «Электрофакельное устройство»). Проверьте с помощью контрольной лампы наличие тока в цепи возбуждения.
Проверку технического состояния выполняйте на стенде, позволяющем изменять частоту вращения ротора генератора, токовую нагрузку и проводить измерения напряжения, тока и частоты вращения ротора генератора. Питание обмотки возбуждения осуществляйте от источника постоянного тока. Величина напряжения питания 28 V. Схема соединений при проверке технического состояния генератора изображена на рис. 117.
Измерительные приборы подбирайте так, чтобы измеряемые значения находились в пределах 30…95 % шкалы. Прибор для измерения величины тока должен иметь класс точности не ниже 1,5, а напряжения — 1,0.
Возможные неисправности генератора и способы их устранения
Таблица 22.
Прнчпна неисправности | Метод устранении |
Стрелка вольтметра в нижней границе шкапы | |
Ослабление натяжения приводного ремня | Отрегулируйте натяжение ремня |
Загрязнены контактные кольца | Протрите кольца хлопчатобумажной салфеткой, смоченной чистым бензином. Если загрязнение не устраняется, зачистите шлифовальной шкуркой и вторично протрите салфеткой. |
Износ щеток в щеткодержателях | Проверьте высоту щеток и усилие пружин; при необходимости замените щеткодержатель или щетки |
Пробой выпрямительного блока | Замените выпрямительный блок |
Короткое замыкание обмотки статора | Замените статор в сборе |
Нарушение в цепи возбуждения | Проверьте исправность цепи возбуждения. |
Нарушение зарядной цепи | Проверьте напряжение на выводах В и «масса” при включенных аккумуляторной батарее и выключателе приборов и стартера. При отсутствии напряжения проверить проводку на автомобиле. Устраните неисправность. |
Неисправен регулятор напряжения | Замените регулятор |
Зависание щеток | Проверьте состояние пружин, перемещение щеток в щеткодержателе. Снимите щеткодержатель, выньте щетки и удалите налет щеточной пыли |
Короткое замыкание обмотки ротора | Замените ротор в сборе |
Стрелка вольтметра в верхней границе шкалы | |
Короткое замыкание в щеточном узле генератора или в цепи между генератором и регулятором | Устраните замыкание |
Неисправен регулятор | Замените регулятор |
Колебание стрелки вольтметра | |
Если колебание стрелки не зависит от потребителей электроэнергии, то причиной является проскальзывание ремней | Отрегулируйте натяжение ремней |
Плохой контакт в цепи возбуждения | Проверьте цепь возбуждения и надежность соединения в местах переходных контактов |
Повышенный шум при работе генератора | |
Ослабление крепления шкива | Затяните гайку |
Износ деталей подшипника или его разрушение | Замените подшипник |
Погнут вентилятор генератора | Выправьте погнутые места |
Перегрев подшипника | |
Слишком велико натяжение ремня | Проверьте натяжение ремня и установите его в соответствии с нормой |
Чрезмерно быстрый износ теток генератора | |
Загрязнение контактных колец | Протрите кольца хлопчатобумажной салфеткой, смоченной чистым бензином. При необходимости зачистите стеклянной шкуркой и вторично протрите салфеткой |
Радиальное биение контактных колец | Проверьте радиальное биение колец. Если оно превышает 0,05 мм, то проточите контактные кольца и замените щетки |
Стартер
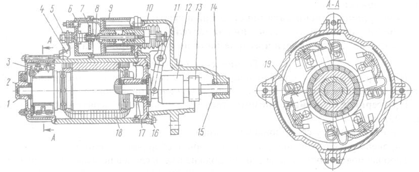
Стартер 5662.3708-10 герметичного исполнения (рис. 118) закреплен на картере маховика с левой стороны двигателя, состоит из электродвигателя, механизма привода и электромагнитного реле. Передаточное отношение двигатель-стартер — 12,5.
Рис. 118. Стартер 5662.3708-10:
1- крышка со стороны коллектора; 2, 14, 17 — подшипники; 3 — траверза; 4 — перемычка; 5 — болт контактный; 6 — крышка реле; 7 — диск контактный; 8 — шток; 9 — ярмо реле с катушкой; 10 — крышка со стороны привода; 11- ось рычага; 12 — привод; 13 — шестерня привода; 15 — шайба упорная; 16 — шайбы замковые; 18 — катушки; 19 — щетка.

Рис. 121. Схема электрическая стартера:
I — к выключателю стартера; II — к аккумуляторной батарее
Электрическая схема стартера показана на рис. 121. Электродвигатель стартера постоянного тока, последовательного возбуждения; шестерня привода входит в зацепление с венцом маховика принудительно с помощью электромагнитного тягового реле. Выход из зацепления шестерни привода осуществляется при отключении электромагнитного тягового реле после пуска двигателя. На стартере применен привод с храповичным механизмом свободного хода.
Техническая характеристика стартера
Таблица 23.
Номинальное напряжение, В | 24 |
Номинальная мощность, Вт (л.с.) | 8200 |
Ток холостого хода при напряжении 24 В, А | 130 |
Напряжение при тормозном моменте 49 Н.м (5 кге.м), В | 8 |
Ток при тормозном моменте 49 Н.м (5 кге.м), А | 800 |
Напряжение включения тягового реле, В | 18 |
Давление щеточных пружин на щетки, Н (кгс) | 17,2…20,1 (1,75… 2,05) |
Высота щеток (исходная), мм | 19…20 |
Частота вращения якоря при холостом ходе, мин-1 , не менее | 5500 |
Предупреждение.
Продолжительность непрерывной работы стартера не должна превышать 20с. Повторно пускать стартер можно после 1…2 мин перерыва. Допустимое количество повторных пусков- не более трех. Если двигатель при этом не пускается, необходимо проверить:
— исправность цепи питания стартера и стартер;
— исправность системы питания двигателя;
— степень заряженности и исправность аккумуляторных батарей.
Техническое обслуживание
При сервисе 2 проверьте плотность и чистоту контактных соединений, надежность крепления проводов к стартеру, затяните гайки крепления проводов.
При сервисе С (осенью) снимите стартер с двигателя, разберите и проверьте в следующем порядке:
— снимите крышку со стороны коллектора;
— проверьте состояние щеточно-коллекторной сборочной единицы.
Рабочая поверхность коллектора не должна иметь следов подгорания. При загрязнении или значительном подгорании поверхность протрите ветошью и обезжирьте. Если грязь или подгорание не устраняются, зачистите коллектор стеклянной шкуркой С100. Зачистку производите, охватывая поверхность коллектора полоской шлифовальной шкурки, вращая вал якоря. Если и при этом подгорание не будет удалено, разберите стартер и проточите коллектор на станке.
Щетки должны свободно, без заедания перемещаться в щеткодержателях. Замерьте высоту щеток вдоль их оси, направленной по радиусу закругления.
Щетки, изношенные до высоты 13 мм или имеющие значительные сколы, замените новыми, предварительно притерев их к коллектору. Направление усилия пружины должно совпадать с осью щеткодержателя;
— проверьте затяжку винтов крепления наконечников щеточных канатиков к щеткодержателям, при необходимости подтяните. После этого продуйте сжатым воздухом щеточно-коллекторную сборочную единицу и установите крышку на место;
— демонтируйте медную перемычку и снимите крышку реле. Проверьте состояние контактной системы реле стартера. Очистите внутреннюю поверхность крышки. Убедитесь в свободной посадке контактного диска на штоке сердечника реле. Осмотрите рабочую поверхность контактных болтов и диска. Если подгорание контактных болтов незначительное, зачистите, сняв неровности, вызванные подгоранием, не нарушая при этом параллельность контактной поверхности. Несовпадение плоскостей контактных болтов допускается не более 0,2 мм. Контактный диск при незначительном подгорании переверните. Для этого разогните скобу и снимите изоляционную шайбу. При значительном износе диска и контактных болтов замените их;
— проверьте надежность крепления реле к корпусу стартера и установите крышку реле на место;
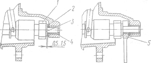
— проверьте регулировку реле стартера. Для этого вывод обмоток реле соедините с положительным выводом аккумуляторной батареи, а корпус стартера — с отрицательным. Для контроля замыкания контактов в цепь между положительным выводом аккумуляторной батареи и контактным болтом реле стартера (отсоединенным от положительного вывода батареи) включите лампу (24 В). Подайте напряжение на реле стартера и замерьте зазор между упорной шайбой на валу якоря и втулкой привода, который должен быть равен 0,5…1,5 мм (рис. 119). Контакты реле при этом замыкаются, и лампа загорается.
Между шестерней, втулкой привода и шайбой на валу якоря установите прокладку (рис. 120) толщиной А = 6 мм. При подаче напряжения на реле стартера шестерня должна прижаться к поверхности прокладки, контакты реле при этом не должны замыкаться (лампа не горит). При упоре втулки привода в прокладку толщиной 2,5 мм, вставленную между втулкой и шайбой, контакты реле должны замыкаться. Если лампа не загорится, отрегулируйте стартер поворотом эксцентриковой оси рычага, на которой установлен регулировочный диск с шестью отверстиями. Вывернув два винта, крепящие регулировочный диск к крышке со стороны привода, поверните его до совпадения с двумя другими резьбовыми отверстиями в крышке. Затем проверьте регулировку реле стартера, как указано выше. Приупоре в прокладку толщиной 2.5 мм контакты реле должны быть замкнуты.
Проверьте, легко ли перемещается привод на валу якоря. При выключении реле привод должен возвращаться в исходное положение. Расстояние от шестерни привода до упорной шайбы должно быть не менее 27,5 мм. В случае затрудненного перемещения привода очистите доступную часть вала от грязи и смажьте смазкой ЦИАТИМ-203 (ЦИАТИМ-221). Если заедание не устраняется, проверьте состояние шлицевой накатки привода и вала якоря, установку рычага и реле путем разборки соответствующих узлов, причину неисправности устраните;

Рис. 119. Регулирование реле стартера:
1 — шестерня привода; 2 — шайба упорная; 3- втулка привода; 4 — вкладыш со стороны привода; 5 — прокладка

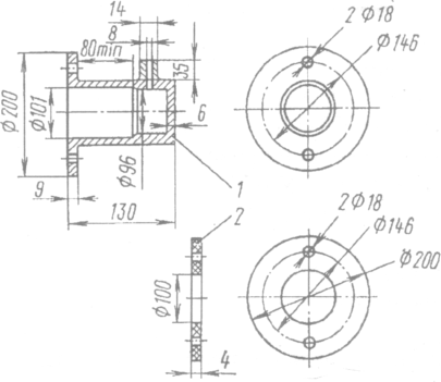
Рис. 120. Прокладка
— замените смазку ЦИАТИМ-203 (ЦИАТИМ-221) шлицевой части вала и привода; снимите пробки и добавьте турбинное масло 22 (допускается применение моторного масла) в масляные полости крышек со стороны коллектора, привода и промежуточного подшипника, установите пробки на место;
— очистите привод от грязи и добавьте смазку, для чего задвиньте шестерню в привод, залейте в корпус привода моторное масло и сделайте 5…10 движений шестерни вдоль оси привода, после чего масло вылейте. Указанную операцию повторите два-три раза, затем залейте масло в корпус привода;
— осмотрите состояние резиновых деталей, при больших износах и разрывах детали замените;
— добавьте смазку ЦИАТИМ-203 (ЦИАТИМ-221) во внутреннюю полость манжеты;
— осмотрите состояние вкладышей в крышках со стороны коллектора и привода. При износе вкладышей (до размера 19,4 мм- в крышке со стороны привода и 16,3 мм- в крышке со стороны коллектора) вкладыш замените. Для этого выпрессуйте изношенный вкладыш и запрессуйте на его место новый, после запрессовки новый вкладыш расточите относительно посадочных диаметров крышки. Внутренний диаметр расточенного нового вкладыша должен быть 19,000…19,045 мм в крышке со стороны приводам 16,000…16,035 мм в крышке со стороны коллектора.
Ремонт
Для снятия стартера:
— отключите массу аккумуляторных батарей;
— поднимите кабину;
— отсоедините провода, подходящие к тяговому реле стартера;
— отсоедините вывод массы от стартера, вывернув болт на корпусе стартера;
— отверните гайку и выверните три болта крепления стартера и снимите стартер.
Для разборки стартера:
— отверните гайки на крышке реле и корпусе стартера и снимите перемычку между выводным болтом тягового реле и обмоткой возбуждения;
— отверните четыре гайки на крышке со стороны коллектора, крепящие траверсу; отогните замковые шайбы, выверните четыре болта и снимите крышку со стороны коллектора;
— выверните винты, крепящие выводы обмотки и щетки к траверсе, и снимите щетки:
— выверните два винта на регулировочном фланце и снимите ось рычага:
— выверните четыре винта со стороны крышки привода и снимите реле вместе с якорем:
— отогните замковые шайбы и выверните пять болтов; снимите крышку со стороны привода, крышка привода снимается вместе с рычагом и приводом;
— снимите упорную шайбу, достаньте из корпуса якорь стартера.
При сборке стартера замените замковые шайбы и слегка смажьте резиновые детали смазкой ЦИАТИМ-203 (ЦИАТИМ-221).
После сборки проверьте стартер на герметичность, характеристику стартера [ток холостого хода, ток и напряжение при тормозном моменте 49 Н-м (5 кгс-м), напряжение включения реле], а также регулировку тягового реле стартера.
При сборке и регулировке стартера выемка регулировочного диска должна находиться не выше горизонтальной оси диска; крышку со стороны коллектора установите ребром напротив выводного болта корпуса.
Проверка на герметичность. Приверните к фланцу крышки со стороны привода через резиновую прокладку 2 специальный уплотнительный кожух 1 (Рис. 121). создайте внутри стартера избыточное давление воздуха 9,81…19,6 кПа (0,1…0,2 кгс/см ), опустите стартер с кожухом в пресную воду комнатной температуры так, чтобы все части стартера находились в воде, а уровень жидкости над стартером не превышал 50 мм; в начале испытаний включите стартер три раза на холостом ходу в погруженном состоянии, по 5 с каждое включение, затем в течение одной мин следите за выделением пузырьков из стыков деталей стартера. Отсутствие систематического выделения пузырьков воздуха из одного и того же места свидетельствует о правильности сборки стартера и исправности резиновых уплотнителей.
Допускается выделение пузырьков газа, возникающих на выводах в результате электролиза воды
Рис. 121. Уплотнительный кожух
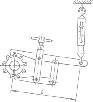
Испытания стартера в нагруженном режиме производите по схеме, аналогичной схеме проверки в режиме холостого хода, но необходимо учесть, что величина потребляемого тока в этом случае значительно больше (около 1000 А) и необходима замена шунта. Для затормаживания вала якоря нагрузите его с помощью динамометрического приспособления (рис. 122).
Тормозной момент определите умножением регистрируемой величины нагрузки Н (кгс) на плечо L (м).
При питании от низковольтного агрегата напряжение на стартере можно постепенно повышать, увеличивая ток, потребляемый стартером, и повышая тормозной момент. Когда тормозной момент достигнет величины 49 Н-м (5 кгс-м), замерьте величину тока.
Рис. 122. Динамометрическое приспособление:
L — длина плеча, м
Приборы и приспособления, применяемые для проверки стартера в режиме холостого хода:
— приспособление для закрепления стартера;
— амперметр с шунтом на 150 А;
— аккумуляторные батареи 6СТ-190- 2 шт.;
— провода ПГВА (сечением 50 мм2 — силовые; сечением не менее 1,5 мм2— в цепи управления реле);
— включатель стартера на 20А;
— тахометр.
Приборы и приспособления, применяемые для проверки стартеров в тормозном режиме:
— приспособление для закрепления стартера;
— амперметр с шунтом на 1000 А;
— аккуму ляторные батареи 6СТ-190 — 2 шт.;
— рычаг для закрепления шестерни привода;
— динамометр (ДПУ-0,01 или ДПУ-0,02);
— стойка для подвески динамометра;
— провода ПГВА;
— выключатель стартера на 20А.
Можно проверять ток холостого хода и торможения на стенде модели 532М или аналогичном.
Несоответствие измеряемых величин техническим характеристикам стартера позволяет сделать выводы о следующих неисправностях:
при проверке в режиме холостого хода:






